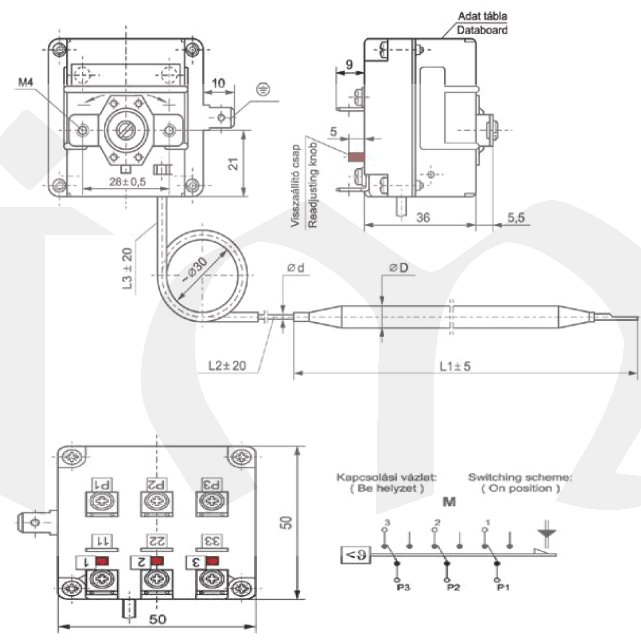
Popis, značení a rozměry všech kapilárních pojistek typů řady 5278, TC-1B31KM
| Typ | Vypínací teplota | Průměr čidla | Délka čidla | Délka kapiláry | Délka ochranné manžety |
| (°C) | (mm) | (mm) | (mm) | (mm) | |
| 5278-0-100-1 | 315 ±6 | 4 | 168 inox | 420 | 40 |
| 5278-0-102-1 | 220 ±6 | 4 | 168 inox | 420 | 40 |
| 5278-0-103-1 | 250 ±6 | 6 | 95 inox | 920 | 40 |
| 5278-0-103-2 | 240 ±6 | 6 | 95 inox | 920 | 40 |
| 5278-0-131-2 | 340 ±6 | 4 | 168 inox | 920 | 40 |
| 5278-0-117-6 | 135 (-10 +0) | 6 | 117 Cu | 920 | 320 |
Teplotní pojistky na poptávku emailem: eximus@eximus.cz
Popis:
Po dosažení výrobcem pevně nastavené teploty rozpínaní, pojistka automaticky přeruší elektrický obvod, čímž pojistka chrání zařízení před přehřátím, v případě poklesu teploty pojistka zůstane v rozepnutém stavu a opětovné sepnutí je možné pouze mechanicky vyškolenou obsluhou (reset tlačítko na zadní straně teplotní pojistky). Tyto teplotní pojistky jsou použitelné zejména pro bojlery na horkou vodu a pro jiné ohřívací spotřebiče jako ochranné zařízení. Je použitelná pro omezení teploty kapalných, plynných a pevných látek.
Technické údaje:
Spínání: 3p do 16 A, 400 V
Životnost: 1.000 sepnutí
Ochrana při dotyku: I. (uzemněný)
Krytí: IP00
Připojení: 6,3 fastony
Max. okolní teplota: +150°C
Max. okolní tepl. čidla: Horní vypínací hodnota + 15%
Relativní vzdušná vlhkost: 30-80%
Teplota při skladování: 5-50°C
Zabudování: vnitřní
Pozice použití: volitelná
Hmotnost: 80 g
