LCTB74/40(45) 150/5A; 2,5VA; 0,5%

není určeno k fakturačnímu měření

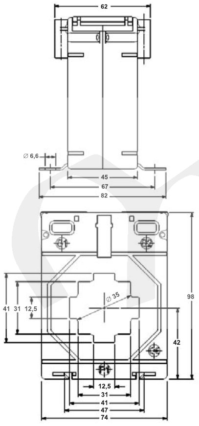
Parametry výrobku:

Typ proudového transformátoru LCTB74/40(45)
Primární proud trafa 150 A
Jedna pásovina 40x12 mm
Sekundární proud 5 A
Způsob přípoje, průměr nebo pás 35 mm
Třída přesnosti trafa 0,5 %
Dvě pásoviny 2x30x15 mm
Výkon 2,5 VA
Tři pásoviny 3x30x10 mm
Nadproudové číslo 5
Kód výrobce 0904-130-014
Odkazy Popis parametrů měřících transformátorů proudu

Nadproudové křivky chyb nízkonapěťových měřících transformátorů proudu a schéma zapojení

Ke stažení: Proudove_merici_transformatory_LUMEL_Eximus.pdf
Spotreba_vedeni_k_trafu.pdf
Proudove_merici_transformatory_LUMEL_Eximus_2021.pdf
Proudove_merici_transformatory_LUMEL_Eximus_2022.pdf
Proudove_merici_transformatory_LUMEL_Eximus_2023.pdf
Cena: Na dotaz!
Do košíku

Volitelné příslušenství

Id: 10765,