Tlakový kapilární teploměr určený k měření teploty v soustavách, kde místo snímání teploty není totožné s místem odečtu.
Teploměr je tvořen trubicí ve tvaru Archimedovy spirály, která se působením vnitřního přetlaku rozmotává a tím koná rotační pohyb.
Rotační pohyb přímo úměrný vnitřnímu přetlaku je přenesen na ručičku, která ukazuje na stupnici naměřenou hodnotu. Vnitřní přetlak úměrný teplotě se vyvozuje teplotní roztažností kapaliny v čidle, které je se spirálou spojeno kapilárou.
Montáž teploměru se provádí nasunutím hlavice teploměru do otvoru dle příslušného rozměrového náčrtu a umístěním teploměrového
čidla do jímky. Těleso teploměru je možno umístit v libovolné poloze. K zamezení rozkmitání kapiláry během provozu je nutné upevnění minimálně v dalších dvou bodech přibližně rovnoměrně rozložených v délce kapiláry. Nejmenší povolený poloměr ohybu spojovací kapiláry
je 5 mm. V provozu nevyžaduje žádnou údržbu.
Díky široké škále provedení je možné použití v mnoho odlišných aplikací. Nejčastější použití je pro bojlery, kotle, topné či chladící systémy.
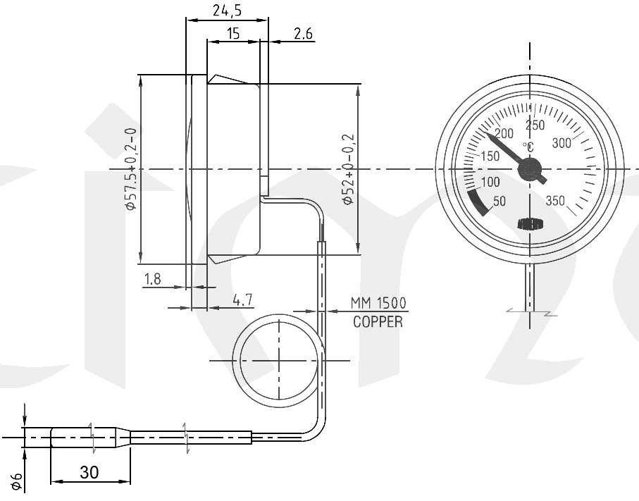
Rozsah stupnice: +50..+350°C
Max. teplota pouzdra: +65°C
Třída přesnosti 4
Rozměry čidla pr.6x30mm
čas. konstanta 15 s
Délka kapiláry 1500 mm
Min. pol. ohybu 5 mm
Volitelné příslušenství, Teploměrové jímky dle požadované délky, materiálu a závitu.
