Kapilární regulátor KR
Kapilární regulátor (termostat) za normálních pracovních podmínek udržuje teplotu ve spotřebiči nebo jeho části, v mezích nastavených uživatelem automatickým vypínáním a zapínáním elektrického obvodu. Typické použití termostatu KR je při regulaci elektrických ohřívačů vody.
Popis
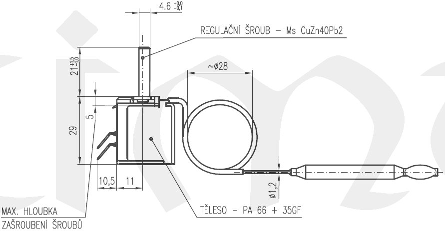
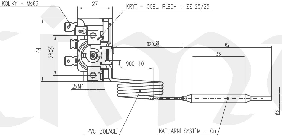
Kapilární regulátor KR je jednopólový regulátor teploty, jehož funkce je založena na principu dilatace kapaliny. Sestává ze dvou základních částí, a to ze spínacího ústrojí a kapilárního teplotního čidla. Vyrábí se v provedení rozpínacím bez nebo se signální svorkou. Zajišťuje mikroodpojení fázového vodiče. Může signalizovat mikroodpojení elektrické zátěže. Je určen výhradně do jednofázových spotřebičů pro domácí a podobné účely, pro které platí ČSN EN 60335-1.
Použití k jiným účelům je nutno předem projednat s výrobcem. Kapilární regulátor není určen k odpojení elektrického spotřebiče od sítě.
Přednosti
- možnost variabilního umístění a natočení čidla nezávisle na poloze spínacího ústrojí
- možnost montovat spínací ústrojí v libovolné poloze
- možnost ohýbat kapiláru podle podmínek montáže
- žádná vlastní spotřeba energie
- nízké náklady na provoz a údržbu
|
Typ |
KR 10 (KR 11) |
KR 20 (KR 21) |
|
Pracovní rozsah |
(7÷77) °C |
(35÷95) °C |
|
Výrobní odchylka max. vyp. teploty |
±6°C |
±4°C |
|
Spínací diference |
2÷6 K |
2÷6 K |
|
Jmenovitý proud |
16/10 A |
16/10 A |
|
Jmenovitý proud sign. obvod |
2 A |
2 A |
|
Minimální proud |
2 A |
2 A |
|
Druh zatížení |
ohm. s účiníkem min. 0,95 |
ohm.s účiníkem min. 0,95 |
|
Jmenovité napětí |
240/400 V ~ |
240/400 V ~ |
|
Teplotní meze spín. ústrojí |
0÷90°C |
0÷90°C |
|
Max. teplota čidla |
90°C |
110°C |
|
Krytí |
IP 00 |
IP 00 |
|
Třída ochrany |
I |
I |
|
Životnost |
100 000 prac. cyklů |
100 000 prac. cyklů |
|
Automat. působení typu |
2 BL |
2 BL |
| Délka kapiláry | ||
|
Min. poloměr ohybu kapiláry |
5 mm |
5 mm |
|
|
|
|
